F343CX手動蝸輪盲板閥
產品概況
產品型號:F343CX
公稱通徑:DN300~2000mm
公稱壓力:PN0.05~0.25MPa
適用溫度:-20℃~300℃
適用溫度:200℃(硅橡膠)300℃(氟橡膠)
驅動方式:電動、液動、氣動、電液動
閥體材質:碳鋼、橡膠、鉻鋼
設計標準:API 600、API6D、ASME B16.34、GB/T 12234
結構長度:ASME B16.10、API6D、GB/T 12221
連接標準:ASME B16.5、ASME B16.47、GB/T 9113、JB/T 79、HG/T 20592
壓力試驗:API 598、GB/T 13927、JB/T 9092
壓力-溫度等級:ASME B16.34 、GB/T 12224
一、F343CX手動蝸輪盲板閥結構特點
百鋼閥門集團生產銷售的F343CX手動蝸輪盲板閥主要由左閥體、右閥體、絲桿副、翻板、密封圈、杠桿、蝸輪裝置等零件組成,并由底座、支撐柱構成一個剛性結構體。橡膠密封圈鑲嵌在翻板上,具有耐高溫、密封性能好、更換方便、使用壽命長等特點。
二、F343CX手動蝸輪盲板閥主要性能參數
| 公稱壓力MPa | 0.25 | 0.15 | 0.10 | 0.05 |
| 密封試驗壓力MPa | 0.275 | 0.165 | 0.11 | 0.055 |
| 強度試驗壓力MPa | 0.40 | 0.225 | 0.15 | 0.075 |
| 驅動源 | 壓縮空氣0.4-0.6MPa ;油壓壓力6.3MPa; 3相380V50HZ | |||
| 適用溫度℃ | 丁腈橡膠 | 硅橡膠 | 氟橡膠 | |
| -20-100 | -20-200 | -20-300 | ||
| 適用介質 | 煤氣等有毒、有害、易燃氣體 | |||
| 啟閉時間S | ≤60 | |||
| 主要零部件材料 | 閥體、閘板為碳鋼;絲桿為合金鋼;螺母為錳銅合金、球墨鑄鐵;伸縮器為不銹鋼 | |||
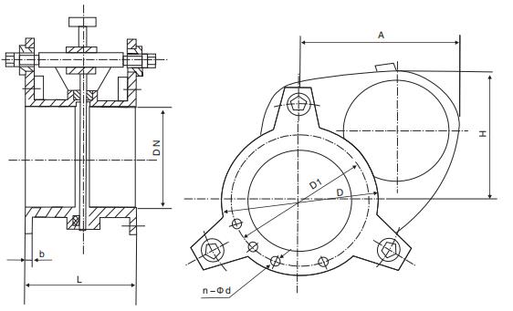
三、F343CX手動蝸輪盲板閥主要連接尺寸:

| DN | D | D1 | b | n-φd | L |
| 300 | 440 | 395 | 22 | 12-φ22 | 500 |
| 350 | 490 | 445 | 22 | 12-φ22 | 500 |
| 400 | 540 | 495 | 22 | 16-φ22 | 600 |
| 450 | 595 | 550 | 24 | 16-φ22 | 600 |
| 500 | 645 | 600 | 24 | 16-φ22 | 600 |
| 600 | 755 | 705 | 24 | 20-φ26 | 600 |
| 700 | 860 | 810 | 26 | 24-φ26 | 800 |
| 800 | 975 | 920 | 26 | 24-φ30 | 800 |
| 900 | 1075 | 1020 | 28 | 24-φ30 | 800 |
| 1000 | 1175 | 1120 | 30 | 28-φ30 | 800 |
| 1100 | 1275 | 1220 | 30 | 28-φ30 | 800 |
| 1200 | 1375 | 1320 | 30 | 32-φ30 | 800 |
| 1300 | 1475 | 1420 | 32 | 32-φ30 | 800 |
| 1400 | 1575 | 1520 | 32 | 36-φ30 | 850 |
| 1500 | 1675 | 1620 | 32 | 36-φ30 | 850 |
| 1600 | 1790 | 1730 | 32 | 40-φ30 | 850 |
| 1800 | 1990 | 1930 | 32 | 44-φ30 | 1100 |
| 2000 | 2190 | 2130 | 32 | 46-φ30 | 1100 |
溫馨提示:
本文中所有文字、數據、圖片均只適用于參考。需要查看更多的F343CX手動蝸輪盲板閥性能參數、結構尺寸參數、價格等詳情,或要求高質量印刷樣本,請聯系我們。